2021/902627/07
ELECTRICAL INSTALLATIONS, ELECTRICAL RENOVATIONS, ELECTRICAL TESTING & COC.
C.E.O
C.E.O.
Do you need a Certificate of Compliance for your home or business? Home and workshop Installations and maintenance is also provided by us.
We will assist you with any electrical renovations on your home or place of business.
We will assist you with installing Kwik hot or The Sun Pays geysers or any thermostat or element problems you may have.
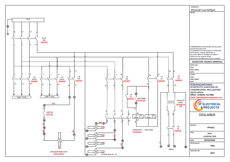
We will assist you with any electrical designing that you may need, including wire diagram, single line diagram and schematic drawings and cable schedule.
Custom design of panels. Manufacturing of custom design panels 220v, 380v, & 400v . 50 - 60Hz according to your desire or we can design it for you.
We will help protect your property with installing new gate motors for your home or business or repair your gate motor if it gives problems Roller shutter door installations as well.
We build steel structures, devil fork fencing, gates and we manufacture custom trailers.
We erect electric fencing for your business or home.
After hour emergency assistance. https://www.facebook.com/I-P-Electrical-Projects







